Votre projet, notre expertise
Faites confiance à notre savoir-faire pour des réalisations durables et une qualité irréprochable, dès le premier contact.
Découvrez Nos Services Exclusifs
Explorez nos solutions sur mesure en génie climatique, TCE (Tous Corps d'État) et CVC-PLOMBERIE (climatisation, ventilation, chauffage et plomberie). Nous offrons des installations durables et innovantes, alliant performance technique et esthétisme, pour répondre parfaitement à vos besoins en confort thermique, efficacité énergétique et qualité des espaces. Nos équipes d'experts réalisent vos projets avec un souci constant de qualité, en respectant les délais et les normes les plus strictes.
TCE (Tous Corps d'État)

Nous réalisons vos projets de construction et de rénovation avec des prestations complètes en peinture, carrelage, maçonnerie, électricité, ainsi que revêtement des sols et murs. Notre équipe qualifiée garantit des travaux de qualité, réalisés dans le respect des délais et des normes en vigueur.
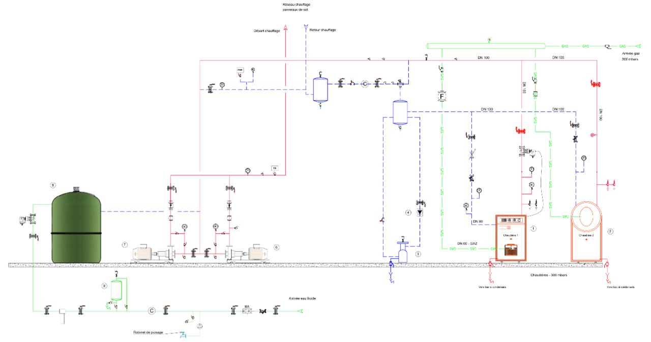
CVC - PLOMBERIE

Nous vous offrons des solutions complètes en climatisation, ventilation, chauffage et plomberie, adaptées à vos besoins. Grâce à notre expertise, nous assurons l'installation, la maintenance et l'optimisation de vos systèmes pour un confort optimal et une efficacité énergétique maximale.
Génie climatique

Nous vous accompagnons dans vos projets avec des études d'exécution précises, la réalisation soignée de vos travaux, et l'installation de pompes à chaleur performantes. Alliez confort, économie d'énergie et respect de l'environnement grâce à notre expertise.
Nos atouts
Une approche sur-mesure, une réactivité exemplaire et un engagement sans faille pour garantir des installations de qualité, respectueuses des normes et de l'environnement.
Faites le choix de l’excellence et de l'innovation pour transformer vos espaces en véritables modèles de confort et de performance.
Réalisations et Témoignages
Qualifications

Embarquez pour votre
prochaine aventure
Partenaires et références







Vous hésitez encore ?
Contactez-nous, c'est gratuit
Prenez rendez-vous et découvrez comment nous pouvons révéler votre potentiel.




